|
|
製袋加工代金基本価格表
| ■ |
価格の算出方法
|
|
 |
代表的な加工は自動見積もりページがありますのでご利用ください。 |
|
自動見積のページを作ってみました。こちらも使ってみてください☆
|
|
|
1. |
標準加工価格を算出します。 |
|
|
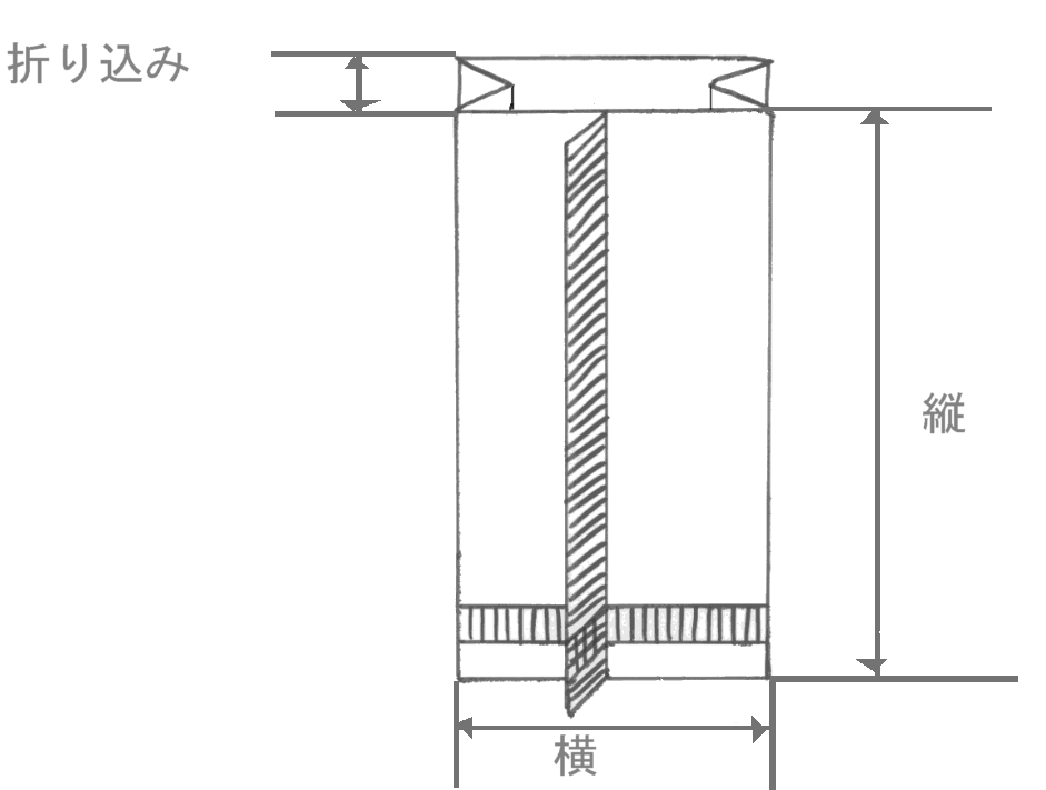
見方
例 一般ガゼット袋
(縦+折り込み+横)×2.4円(最低.0.8円)と表示の場合
- 縦=袋の深さ(m)
- 折り込み=ガゼット片側の幅(m)
- 横=袋の幅(m)
- ※メートル単位なので
- 15cmは0.15mとなります。
例えば
A縦15cm 横10cm ガゼット4cmの場合
(0.15+0.1+0.04)×2.4=0.696円 最低0.8円未満なので0.80円
B縦20cm 横10cm ガゼット7cmの場合
(0.2+0.1+0.07)×2.4=0.888円 0.89円
これが1枚の標準加工価格になります。
|

袋の寸法の名称 |
|
|
2. |
オプションを加算します。 |
|
|
例えば
A縦15cm 横10cm ガゼット4cmのブイノッチ上下2箇所の場合
(0.15+0.1+0.04)×2.4=0.696円 0.696+(ブイノッチ0.1×2)=0.896円 0.90円
B縦20cm 横10cm ガゼット7cmのブイノッチ上下2箇所の場合
(0.2+0.1+0.07)×2.4=0.888円 0.888+(ブイノッチ0.1×2)=1.088円 1.09円
|
|
3. |
ロット長による割引率を掛けます。 |
|
|
例えば
A縦15cm 横10cm ガゼット4cmのブイノッチ上下2箇所、8000mの場合
オプション込み価格が0.90円 割引率0% =最終単価 0.90円
B縦20cm 横10cm ガゼット7cmのブイノッチ上下2箇所、32000mの場合
オプション込み価格が1.09円 割引率10% =最終単価 0.98円
|
■片寄せガゼット袋
| 加工品目 |
標準加工価格 |
0〜
7000m |
7001m〜
16000m |
16000m
超 |
月産
60万袋以上 |
ライン占有
3ヶ月超 |
| 片寄せガゼット袋 |
(縦+折り込み+幅)×2.8
(最低0.8円) |
機械
貸し
料金 |
標準 |
△10% |
△15% |
要相談 |
| ふりかけ用Vカット片寄せガゼット袋 |
1.6円前後 |
機械
貸し
料金 |
標準 |
△10% |
△15% |
要相談 |
| ピローレス四方柱ガゼット袋 |
1.6円前後 |
機械
貸し
料金 |
標準 |
△10% |
△15% |
要相談 |
最大寸法
| 横(開口幅) |
縦 |
| 130mmで原反幅405mmまで |
400mm(オプションにより変化) |
■ガゼット袋
| 加工品目 |
標準加工価格 |
0〜7000m |
7001〜
16000m |
16000m
超 |
月産
60万袋以上 |
ライン占有
3ヶ月超 |
| 一般ガゼット袋 |
(縦+折り込み+幅)×2.4
(最低0.8円) |
機械
貸し
料金 |
標準 |
△10% |
△15% |
要相談 |
| 四方柱ガゼット袋 |
(縦+折り込み+飾りシール幅×2+幅)×2.8
(最低0.8円) |
機械
貸し
料金 |
標準 |
△10% |
△15% |
要相談 |
| 船底ガゼット袋 |
(縦+折り込み+幅)×2.8
(最低0.8円) |
機械
貸し
料金 |
標準 |
△10% |
△15% |
要相談 |
| ひとくちようかん用小型ガゼット袋 |
1.4円前後 |
機械
貸し
料金 |
標準 |
△10% |
△15% |
要相談 |
| 窓付きガゼット袋 |
1.4円前後 |
機械
貸し
料金 |
標準 |
△10% |
△15% |
要相談 |
最大寸法
| 横(開口幅) |
縦 |
| 260mmで原反幅600mmまで |
400mm(オプションにより変化) |
■合掌平袋
| 加工品目 |
標準加工価格 |
0〜
7000m |
7001m〜
16000m |
16000m
超 |
月産
60万袋以上 |
ライン占有
3ヶ月超 |
| 一般合掌平袋 |
(縦+幅)×2.0
(最低0.8円) |
機械
貸し
料金 |
標準 |
△10% |
△15% |
要相談 |
| ラベルシール合掌平袋 |
(縦+幅)×2.4
(最低0.8円) |
機械
貸し
料金 |
標準 |
△10% |
△15% |
要相談 |
| サイドノッチ用ポイントシール付き平袋 |
(縦+幅)×2.2
(最低0.8円) |
機械
貸し
料金 |
標準 |
△10% |
△15% |
要相談 |
| サラミ・ほたて等用長細平袋 |
1.4円前後 |
機械
貸し
料金 |
標準 |
△10% |
△15% |
要相談 |
最大寸法
| 横(開口幅) |
縦 |
| 290mm |
400mm(オプションにより変化) |
■半折袋(かます・L型シール)
| 加工品目 |
標準加工価格 |
0〜
7000m |
7001〜
16000m |
16000m
超 |
月産
60万袋以上 |
ライン占有
3ヶ月超 |
一般半折袋
(1丁取り) |
1.0円前後 |
機械
貸し
料金 |
標準 |
△10% |
△15% |
要相談 |
一般半折袋
(2丁取り) |
0.8円前後 |
機械
貸し
料金 |
標準 |
△10% |
△15% |
要相談 |
| L型シール袋 |
1.0円前後 |
機械
貸し
料金 |
標準 |
△10% |
△15% |
要相談 |
グラシン紙半折袋
(加工代金) |
1.0円前後 |
機械
貸し
料金 |
標準 |
△10% |
△15% |
要相談 |
医療器具用紙フィルター付きガス殺菌半折袋
(リボンパック) |
2.0円前後 |
機械
貸し
料金 |
標準 |
△10% |
△15% |
要相談 |
| 半折ガゼット袋2丁取りのみ |
0.8円前後 |
機械
貸し
料金 |
標準 |
△10% |
△15% |
要相談 |
最大寸法
| ■ |
縦 |
横(流れピッチ側) |
| 一般半折袋1丁取り |
ベロ側200mm |
400mm(オプションにより変化) |
| 一般半折袋2丁取り |
原反幅600mm |
400mm(オプションにより変化) |
| L型シール袋 |
開口側200mm |
400mm(オプションにより変化) |
| グラシン紙半折袋(加工代金) |
ベロ側200mm |
400mm(オプションにより変化) |
| 医療器具用紙フィルター付きガス殺菌半折袋(リボンパック) |
開口側200mm |
400mm(オプションにより変化) |
| 中華まん等用半折ガゼット袋2丁取りのみ |
原反幅600mm |
400mm(オプションにより変化) |
■スタンディング袋(1丁取りのみ)
| 加工品目 |
標準加工価格 |
OP/Al
技術料 |
0〜
3000m |
3001〜
8000m |
8000m
超 |
月産
40万袋以上 |
ライン占有
3ヶ月超 |
| 一般スタンディング袋 |
(縦+横)×6.4
(最低2.4円) |
0.5円 |
機械貸し料金 |
標準 |
△10% |
△15% |
要相談 |
| 底材両面シーラント型強力スタンディング袋 |
(縦+横)×8.4
(最低3.1円) |
不可 |
機械貸し料金 |
標準 |
△10% |
△15% |
要相談 |
最大寸法
| ■ |
横(開口幅) |
縦(深さ) |
ガゼット幅 |
| 斜め船底 |
270mm |
470mm |
200mm |
| ドイパック専用金型 |
400mm |
470mm |
200mm |
■チャック付袋(1丁・2丁取り チャック代金含む)
| 加工品目 |
標準加工価格 |
異素材胴材 |
OP/Al
技術料 |
0〜
3000m |
3001〜
8000m |
8001〜
16000m
|
16000m
超 |
月産
40万袋以上 |
ライン占有
3ヶ月超 |
一般チャック袋
(13mm幅チャック) |
(縦+横)×8.0+チャック代(7.9円/m)
(最低2.4円) |
0.3円 |
0.5円 |
機械
貸し
料金 |
標準 |
△10% |
△10% |
△15% |
要相談 |
一般チャック袋
(7mm幅チャック) |
(縦+横)×7.6+チャック代(7.9円/m)
(最低2.4円) |
0.3円 |
0.5円 |
機械
貸し
料金 |
標準 |
△10% |
△10% |
△15% |
要相談 |
一般チャック袋
(13mm幅チャック)2丁取り |
(縦+横)×6.0+チャック代(7.9円/m) |
0.3円 |
0.5円 |
無し |
無し |
標準 |
△10% |
△15% |
要相談 |
一般チャック袋
(7mm幅チャック)2丁取り |
(縦+横)×5.6+チャック代(7.9円/m) |
0.3円 |
0.5円 |
無し |
無し |
標準 |
△10% |
△15% |
要相談 |
最大寸法
| ■ |
横(開口幅) |
縦(深さ) |
| 13mmチャック1丁取り(NY・PET) |
360mm |
470mm |
| 13mmチャック1丁取り(OP) |
240mm |
470mm |
| 13mmチャック2丁取り(NY・PET) |
360mm |
220mm |
| 13mmチャック2丁取り(OP) |
240mm |
220mm |
| 7mmチャック1丁取り(NY・PET) |
260mm |
470mm |
| 7mmチャック1丁取り(OP) |
170mm |
470mm |
| 7mmチャック2丁取り(NY・PET) |
260mm |
220mm |
| 7mmチャック2丁取り(OP) |
170mm |
220mm |
■チャック付(13m/m)スタンディング袋((1丁取りのみ チャック代金含む)
| 加工品目 |
標準加工価格 |
OP/Al技術料 |
0〜
3000m |
3001〜
8000m |
8000m
超 |
月産
40万袋以上 |
ライン占有
3ヶ月超 |
| 一般チャック付スタンディング袋 |
(縦+横)×13.5+チャック代(7.9円/m)
(最低3.4円) |
0.5円 |
機械
貸し
料金 |
標準 |
△10% |
△15% |
要相談 |
| 底材両面シーラント型強力チャック付スタンディング袋 |
(縦+横)×15.5+チャック代(7.9円/m)
(最低3.4円) |
不可 |
機械
貸し
料金 |
標準 |
△10% |
△15% |
要相談 |
最大寸法
| ■ |
横(開口幅) |
縦(深さ) |
ガゼット幅 |
| 斜め船底 |
270mm |
470mm |
200mm |
| ドイパック専用金型 |
360mm |
470mm |
200mm |
■横ピロー付き袋
| ■ |
標準加工価格 |
7000m以下 |
16000m超 |
月産60万袋以上 |
ライン占有3ヶ月超 |
| 横ピロー付き三方袋(イージーオープン・再開閉ザ・オーぷん) |
2.0円前後 |
機械
貸し
料金 |
△10% |
△15% |
要相談 |
| 横ピロー付き半折袋(仕切り付きイージー手充填) |
2.0円前後 |
機械
貸し
料金 |
△10% |
△15% |
要相談 |
最大寸法
| 縦(深さ) |
横(開口幅) |
| 原反幅600mm |
400mm(オプションにより変化) |
■三方袋(1丁・多丁取り)
| 加工品目 |
標準加工価格 |
異素材胴材 |
0〜
3000m |
3001〜
8000m |
8001〜
16000m |
16000m
超 |
月産
40万袋以上 |
ライン占有
3ヶ月超 |
| 一般三方袋 |
(縦+横)×1.7
(最低0.8円) |
(縦+横)×1.7+.03
(最低0.8円) |
機械
貸し
料金 |
標準 |
△10% |
△10% |
△15% |
要相談 |
一般三方袋
多丁取り |
(縦+横)×1.5
(最低0.8円) |
(縦+横)×1.5+0.3
(最低0.8円) |
機械
貸し
料金 |
標準 |
標準 |
標準 |
△15% |
要相談 |
最大寸法
| ■ |
横(開口幅) |
縦(深さ) |
| 1丁取り |
260mm |
470mm |
| 多丁取り |
260mm |
原反幅970mm |
■機械貸し料金
| ガゼット・半折・三方 |
25000円/日 |
| チャック付・スタンド |
50000円/日+材料費(チャック代金=7.2円/m) |
■オプション料金
| ■ |
料金 |
| 足踏みアールカット(除くチャック付袋) |
0.5円/1箇所 |
| 足踏みアールカットチャック付袋 |
2.5円/1箇所 |
| インラインアールカット |
0.13円/1箇所 |
| ユウ・ブイノッチ |
0.1円/1箇所 |
| アイノッチ |
サービス |
| Wアイノッチ |
0.2円 |
| 手さげ用W小判ダイス |
0.5円 |
| 2・6・8mmパンチ |
0.5円 |
| ※ |
オプション料金は袋加工標準価格に合算された後、最低金額と比較されます。 |
| ※ |
各割引はオプション料金を含めてから割り引かれます。 |
| 事業内容 |
■ラミネートフィルム袋の製袋加工
■グラシン袋の製造
■チャック付きポリ袋の販売
■ポリエチレン・各種プラスチックフィルム袋の販売
■コンピュータ周辺機器の製造・販売
|
| 弊社へのアクセス |
| ■社名 |
有限会社ミツワ (旧社名 ミツワ紙業有限会社) |
| ■住所 |
〒331-0823 埼玉県さいたま市北区日進町1-72-3 |
| ■電話 |
048-666-8103 受付担当 安部井 |
| ■FAX |
048-666-8104 |
| ■E-mail |
mituwa@hddbancho.co.jp |
| ■営業時間 |
平日 午前9:00から午後5:00 |
|
|
 |
| ■営業品目 |
チャック付きポリ袋 |
|
グラシン袋 |
|
アルミ袋 |
|
ポリエチレン袋 |
|
OPP袋 |
|
各種ラミネートフィルム袋 |
|
各種溶断袋 |
|
|
| ■製造販売 |
ラミネートフィルム袋 |
|
グラシン袋 |
|
アルミ袋 |
|
コンピュータ周辺機器 |
|
ハードディスク周辺機器 |
|
|
| ■製袋加工 |
チャック袋 |
スタンド袋 |
三方袋 |
| (ラミネートフィルム) |
背貼り袋 |
ガゼット袋 |
小型袋 |
|
片寄せガゼット袋 |
Vカット袋 |
半折袋 |
|
特殊袋 |
|
頭の柔らかい若者?が応対いたしますのでお気軽にお電話ください。
ただ、機械がうるさすぎて気が付かずすぐに電話に出られない場合があります。
その際はガンガン電話を鳴らしつづけてください☆
FAX・E-mailでのお見積もり等お問い合わせもお待ちしております。
有限会社ミツワへの問い合わせメール(受付担当 安部井まで) |
|